HXGN15固定式金属封闭开关柜
1. 中置柜
KYN28-12高压开关柜概述
KYN28-12型铠装移开式交流金属封闭开关设备,因其真空断路器开关常放在中间,所以简称为KYN28-12中置柜。适用于三相交流50Hz电力系统,用于电力系统发电、输电、配电、电能转换和消耗中起着通断、控制或保护等作用。额定电压为3.6KV~12KV,其特点是配装的真空断路器为中置式,即断路器位于开关柜前柜的中部,因此下部空间节省下来可用于其它方案的扩展或作为电缆室用。主要应用场合有:城市居民、大型二次变电站、开闭所、工矿企业、商场、机场、地铁、风力发电、医院、体育场、铁路、隧道等。
KYN28-12中置柜型号及其含义

主要特点
1、 高压开关柜体结构采用敷铝锌板经CNC机床使用多重折弯工艺加工之后栓接而成。
2、所有操作均在柜门关闭状态下进行。
3、防护等级高,可防止杂物和虫害侵入。
4、简单有效的"五防"闭锁,防止误操作。
5、可配用VS1及VD4型真空断路器。
6、更换断路器简单,手车互换性能好。
7、柜体可靠墙安装、柜前维护,减少占地面积。
8、电缆室空间充裕、可连接多根电缆。
9、断路器室和电缆室可分别加装加热器,防止凝露与腐蚀发生。
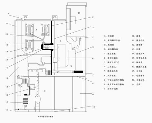
中置柜结构介绍
分为上中下三层,其中上层是母线室和仪表室,仪表室在前面、母线室在后面,两个小室之间有隔板隔开。中间层为开关室,是放置真空断路器的隔室,断路器采用手车式真空断路器,安装方便,维修和更换时只需要将断路器小车推出即可,无需断电。下层为电缆室,空间充足,可以连接多条电缆。

五防联锁功能
1、 防止带负荷合闸:真空断路器小车在试验位置合闸后,小车断路器无法进入工作位置。
2、防止带接地线合闸:接地刀在合位时,小车断路器无法进合闸。
3、防止误入带电间隔:真空断路器在合闸工作时,盘柜后门用接地刀上的机械与柜门闭锁。
4、防止带电挂接地线:真空断路器在工作时合闸,合接地刀无法投入。
5、防止带负荷拉刀闸:真空断路器在工作合闸运行时,无法退出小车断路器的工作位置。
YBW-12预装式箱变概述
箱式变电站简称箱变,是一种高压开关设备、配电变压器和低压配电的设备。主要将额定电压12KV的高压配电装置、12/0.4KV的电力变压器、低压配电装置和电能计量装置等预装组合在一个箱体内而构成的紧凑型成套配电装置。特别适用于城网建设与改建, 是在土建变电站之后又崛起的一种新式变电站。
YBW-12箱变自动化程度高
保护系统采用变电站微机综合自动化装置,分散安装。可实现"四遥",即遥测、遥信、遥控、遥调,每个单元均具有独立运行功能。继电保护功能齐全,可对运行参数进行远方设置,对箱体内湿度、温度进行控制和远方烟雾报警、满足无人值班的要求。
YBW-12箱变工厂预制化
设计时,只要设计人员根据变电站的实际要求,作出一次主接线图和箱外设备的设计就可以选择由厂家提供的箱变规格和型号,所有设备在工厂一次安装、调试合格,实现变电站建设工厂化,缩短了设计制造周期。现场安装仅需箱体定位、箱体间电缆联络、出线电缆连接、保护定值效验、传动实验及其他需调试的工作,整个变电站从安装到投运大概需要5~8天时间,大大缩短了建设工期。
三、RYM6-12系列充气柜
RYM6-12充气柜概述
RYM6-12全绝缘全封闭充气式金属开关柜(简称充气柜)又称共箱式充气柜、sf6充气柜。其所有带电部分完全密封在一个3.0mm厚的不锈钢SF6气箱中,多个支路开关可以安装在一个气箱中,使开关装置不受环境影响。实现了免维护、可靠运行、无人看护等功能,充气柜单元采用模块化设计,可以灵活扩展,科学组合,是一款全绝缘全封闭式高压开关柜。适用于50HZ、12kv三相交流高压配电系统中,作为接受和分配高压电能之用。因其适应性强,广泛应用于矿山、沿海地区、高山高原地区,机场、酒店、学校、地铁、市政建设等行业均有使用。
主要特点
1、全绝缘全封闭,充气柜所有带电设备封装在不锈钢气箱中,出线电缆采用封闭式电缆插拔件连接,可以有效隔绝环境影响。
2、充气柜采用模块化设计,可灵活扩展单元,同时占地面积比常规高压开关柜少。
3、充气柜可选择电动操作和手动操作,同时实现远程监控功能,智能化程度高。
技术参数
|
项目 |
参数 |
||
|
SF6气体压力 |
20℃下压力为1.4bar |
||
|
气体年泄漏率 |
0.2‰/年 |
||
|
防护等级 |
IP67 |
||
|
气室不锈钢厚度 |
3.0mm |
||
|
开关柜内母线 |
400mm2Cu |
||
|
开关柜接地母线 |
150mm2Cu |
||
|
开关柜前面板 |
RAL7012 |
||
|
侧板和电缆室前盖板 |
RAL 7035 |
||
2. 环网柜
1、HXGN15-12固定式金属封闭开关柜
HXGN15-12环网柜概述
HXGN15-12系列固定式金属封闭开关柜(简称环网柜)适用于交流50HZ,10KV的电网中作为开断负荷和短路及关合短路电流用。本环网柜配用弹簧操作机构,即可电动,也可手动操作负荷 开关,接地开关和隔离开关配用手动操作机构。广泛应用与城市商业中心、工业集中区、机场、电器化铁路、高速公路等供电可靠性高的配电系统中,既可在户内外单独使用,也可继承在预 装式变电站之中。
型号及其含义

主要特点
1、开关柜具有可靠的"五防"功能,柜上安装有带电显示装置。
2、外壳防护等级不低于IP2X。 3、每台柜面有接线方案模拟图,可清楚地反映开关柜一次元器件配置。
4、采用优质镀锌钢板拼装而成,并分成母线室、开关室、电缆室和仪表室,各室相对独立,均有泄压通道。
5、提供二套安装及调试工具。
6、HXGN15-12系列环网柜内的所有元器件均符合有关标准的要求。
7、提供产品的有效型式试验报告及产品鉴定证书。
8、出厂时提供开关柜内所有电气元器件的合格证及试验报告。
主要技术参数
|
名称 |
单位 |
参数 |
||
|
额定电压 |
KV |
10/12 |
||
|
额定电流 |
A |
630 |
||
|
主母线电流 |
进线柜 |
A |
630 |
|
|
出线柜(组合电器) |
125 |
|||
|
额定短时耐受电流 |
KA |
20 |
||
|
额定短路持续时间 |
S |
4 |
||
|
额定峰值耐受电流 |
KA |
50 |
||
|
额定短路关合电流 |
KA |
50 |
||
|
额定有功负载开断电流 |
A |
630 |
||
|
闭环开断电流 |
A |
630 |
||
|
额定电缆充电开断电流 |
KA |
20 |
||
|
接地开关额定短时耐受电流 |
KA |
20 |
||
|
接地开关额定短路持续时间 |
S |
4(2) |
||
|
接地开关额定峰值耐受电流 |
KA |
50 |
||
|
接地开关额定短路关合电流 |
KA |
50 |
||
|
1min额定工频耐受电压 |
相间、相对地、真空负荷开关断口 |
KV |
42 |
|
|
隔离开关断口 |
48 |
|||
|
额定雷电充电耐受电压 |
相间、相对地、真空负荷开关断口 |
kV |
75 |
|
|
隔离开关断口 |
85 |
|||
|
机械寿命 |
真空负荷开关 |
次 |
10000 |
|
|
接地开关(刀)、隔离开关(刀) |
2000 |
|||
|
交接电流 |
A |
3150 |
||
结构和工作原理
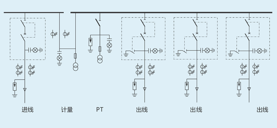
主要配装ZFN-10型真空负荷开关,主要方案有进线柜和出线柜等。
1、进线柜方案:柜内主回路有一台ZFN-10型真空负荷开关,它配装有隔离刀,酌情还配装接地刀所组成,三者共装在一个机架上,并互有联锁。因此可实现接通母线、隔离、接地三个工位的 操作,柜内还可灵活装配CT、PT等元件。
2、出线柜方案:柜内主回路有一台ZFN-10型真空负荷开关和带撞击器的熔断器(有隔离开关的作用)及接地刀所组成,也可实现三工位操作,柜内还可灵活装配CT、PT和ZNO避雷器等元件。 因此有时可以省去计量柜。
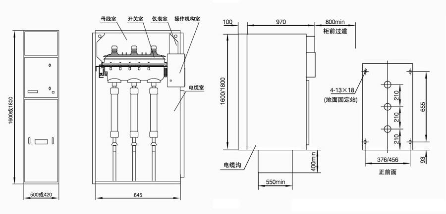
HXGN15-12环网柜外形及安装尺寸

订货时须提供下列资料
1、主回路系统方案图。
2、辅助电路电气原理图,辅助电路电压。
3、柜内元件清单(包括元器件型号、名称、规格、数量)。
4、开关设备平面布置图。
5、柜体颜色(如无要求按本公司标准供给)。
6、所需备品备件清单。
7、其它特殊使用条件。
2、 RYZH-12系列交流金属封闭开关设备
RYZH-12交流金属封闭开关设备概述
RYZH-12交流金属封闭开关设备(简称环网柜)适用于交流50HZ,10KV的电网中作为开断负荷和短路及关合短路电流用。分别由进线断路器柜、出线及接地刀断路器柜、计量柜、PT柜等几种功能柜子组合而成,且柜内的核心元器件由仁耀公司研发的VRY9-12一体化组合电器构成。该一体化组合电器主要集合了隔离开关、固封式真空断路器、接地开关、电压传感器、五防联锁、操作面板、模块化操作机构等元器件,实现了RYZH-12开关设备的体积更小、维护简单等优点。广泛应用与城市商业中心、工业集中区、机场、电器化铁路、高速公路等供电可靠性高的配电系统中。

RYZH-12环网开关柜体典型图




RYZH-12环网开关柜典型设计方案图






3、VRY9-12环网开关柜一体化组合设备
VRY9-12一体化组合电器概述
VRY9-12一体化组合电器是仁耀电气针对电力用户对电气设备可靠性、安全性、紧凑性等需求的技术解读而研发的开关设备,具有空气绝缘、紧凑型、完善型式试验的产品。适用环网开关设备的进线断路器柜、出线及接地刀断路器柜、计量柜、PT柜等。VRY9-12采用一体化的断路器组合电器设计,组合电器集隔离开关、断路器、接地开关、带电传感器为一体,并采用模块化设计,具有联锁简单可靠、检修方便等特点。

VRY9-12主要特点
■空气为介质的绝缘方式,满足电力行业技术规范的电气间隙与局放标准。
■灵活的母线形式与扩展方式,方便与其他不同柜型的拼接。
■一体化的断路器组合电器设计,组合电器集隔离开关、断路器、接地开关、带电传感器为一体。
■采用模块化设计,具有联锁简单可靠、检修方便。
技术参数

|
型号 |
VRY9-12一体化组合电器 |
|
额定电压 |
12KV |
|
工频耐压 |
42KV(1分钟) |
|
雷电冲击耐压 |
75KV、85KV |
|
额定电流 |
630A~1250A |
|
额定频率 |
50Hz、60Hz |
|
额定短路开断电流 |
25KA、31.5KA |
|
额定短时耐受电流 |
25KA、31.5KA |
|
额定峰值耐受电流 |
50KA、60KA |
|
额定短路电流开断次数 |
30次 |
外形尺寸

